Podane ceny obowiązują w e-sklepie.
Ceny produktów w sklepie stacjonarnym mogą być inne.
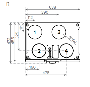
Rekuperator VALLOX 110 MV R wersja prawa
5
Opis


| Rekuperator Vallox 110 MV » DANE TECHNICZNE | |
| Przeznaczony do domów m²: ok. 170 | |
| Max. wydatek powietrze wywiewane | 406 m3 /h, 100 Pa |
| Max. wydatek powietrze nawiewane | 385 m3 /h, 100 Pa |
| Klasa odzysku ciepła | A+ |
| Sprawność odzysku ciepła | > 85 % |
| Typ wymiennika ciepła | przeciwprądowo-krzyżowy aluminiowy |
| Bypass wymiennika ciepła | automatyczny |
| Nagrzewnica wstępna | - |
| Nagrzewnica wtórna | elektryczna, 900 W |
| Filtry nawiewne | G4 + F7 |
| Filtry wywiewne | G4 |
| Waga | 64 kg |
| Ilość i wymiar króćców | 4 x 160 mm |
| Wymiary | 638 mm x 678 mm x 472 mm |
Funkcje sterownika MyVallox Touch:
- 4 tryby pracy: W domu, Poza domem. Booster, Niestandardowy (dowolnie konfigurowalny)
- intuicyjny programator tygodniowy
- odczyt pięciu temperatur: nawiew, wywiew, czerpnia, wyrzutnia, temperatura za wymiennikiem oraz danych z czujnika wilgotności i dwutlenku węgla
- pełna automatyczna praca rekuperatora
- zdalny odczyt danych podczas pracy centrali przez Internet (np. adres IP)
- autodiagnostyka pracy rekuperatora
- standardowy panel graficzny MyVallox Control lub graficzny panel dotykowy MyVallox Touch
- możliwość automatycznej i ręcznej aktualizacji oprogramowania układowego
System MyVallox (MV):
- zdalne sterowanie przez Internet – MyVallox Cloud – i zdalny serwis
- możliwość ustawienia każdego parametru jednostki na ekranie komputera, tabletu, smartfona
- możliwość podłączenia zewnętrznych czujników oraz przełączników np.: okap kuchenny, odkurzacz centralny, alarm, itp.
- możliwość sterownia zewnętrznymi peryferiami np.: chłodnica/nagrzewnica wodna, klimatyzacja, GWC, itp…
- możliwość podłączenia dodatkowych czujników dwutlenku węgla, wilgotności i VOC – lotnych związków organicznych, w celu większego zautomatyzowania jednostki
- możliwość podłączenia do automatyki budynku poprzez interfejs MODBUS i opcjonalnie przez KNX
- dostęp do statystyk – historia pomiarów pracy rekuperatora z wartościami poszczególnych parametrów z możliwością eksportu danych do pliku Excel
- w pełni automatyczna praca rekuperatora przez cały rok
- informacja o konieczności wymiany filtrów powietrza
- zdalny serwis i autodiagnostyka urządzenia
Wymiary Vallox 110MV R
wewnętrzny rozmiar króćca ø 160 mm
- Powietrze nawiewane
- Powietrze wywiewane
- Wyrzutnia
- Czerpnia


| Produkt Oryginalny z Gwarancją Importera |



Opinie pochodzą tyko od zalogowanych klientów, ale nie weryfikujemy, czy kupili dany produkt. Wyświetlamy zarówno pozytywne, jak i negatywne opinie.